Vamos transformar sua ideia em um projeto?

Serviços Técnicos Especializados

Solicite agora uma consultoria técnica especializada, e leve sua obra ao próximo nível.

Sobre Nós

A AN7 Serviços Técnicos e Soluções Técnicas atua com excelência em engenharia mecânica aplicada a plataformas industriais, oferecendo soluções técnicas seguras, eficientes e alinhadas às normas vigentes.

Sob a liderança do Engenheiro Alcides Guedes, a empresa desenvolve projetos, análises e acompanhamentos técnicos voltados para estruturas metálicas, sistemas mecânicos e equipamentos instalados em plataformas, garantindo desempenho operacional, segurança estrutural e confiabilidade.

Mais do que projetos, oferecemos confiança, responsabilidade técnica e compromisso com resultados.

Onde Atuamos

Nosso compromisso é entregar soluções que aliem precisão técnica, segurança e eficiência operacional, contribuindo diretamente para a produtividade e longevidade dos sistemas industriais de nossos clientes.

Com sólida experiência em ambientes industriais, trabalhamos com:

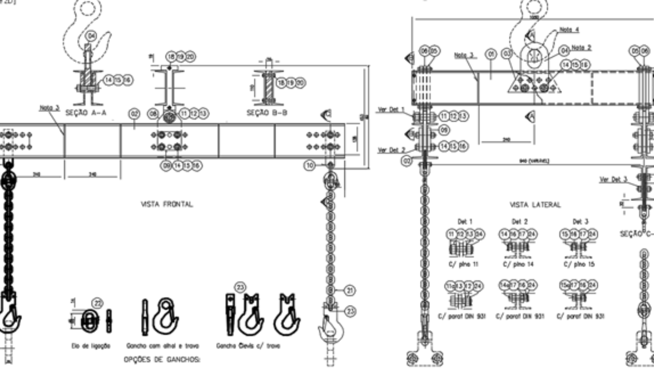
Portfólio Técnico

Projetos que demonstram nossa capacidade técnica e compromisso com resultados eficientes e seguros.

Nossa Localização

Estamos estrategicamente localizados em Natal/RN, no bairro de Candelária, uma das regiões mais valorizadas e de fácil acesso da cidade.

Estar em uma região estratégica de Natal reforça nosso compromisso com a excelência, proximidade e suporte técnico contínuo, garantindo mais segurança e eficiência em cada projeto desenvolvido.

Agende uma reunião e conheça nossos Projetos

Convidamos você a agendar uma reunião e conhecer de perto a qualidade, organização e excelência técnica que aplicamos em cada projeto desenvolvido.

Copyright @ AN7 Serviços Técnicos,

Todos os direitos reservados.

Política de Privacidade.